根据我区卫生事业发展的需要,经市人力资源和社会保障局备案,现将嘉兴经济技术开发区(国际商务区)街道社区卫生服务中心公开招聘工作人员的有关事项公告如下:
一、招聘岗位和计划
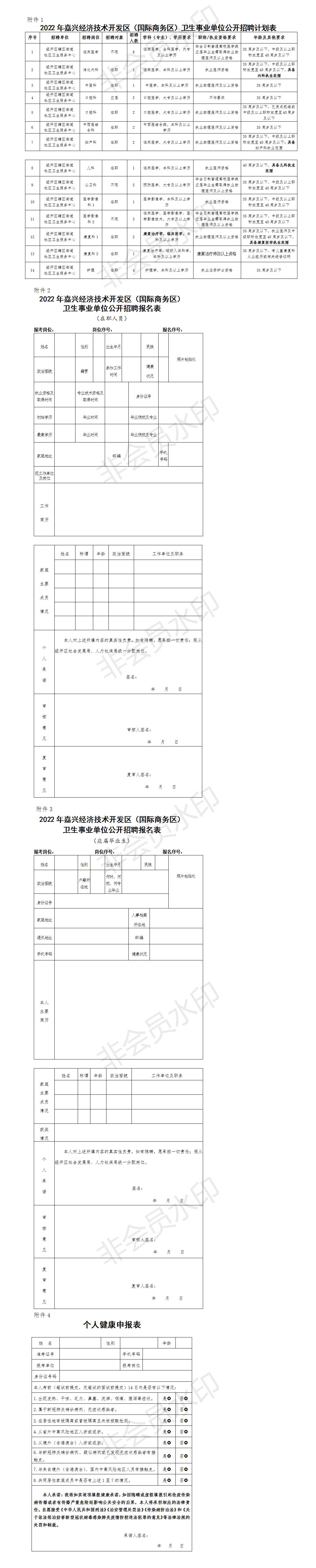
城南、嘉北、塘汇、长水街道社区卫生服务中心计划招聘医技人员32名,招聘岗位为临床医学、中医科、消化内科、中西医结合科、口腔科、妇产科、儿科、医学影像科、公卫科、康复科、护理等(详见附件1)。
二、招聘范围、对象及资格条件
(一)招聘范围、对象
本次招聘面向全国范围内在职在岗人员或2022年全日制普通高校医学类应届毕业生。其中以下情形者视同对待为2022年全日制普通高校医学类应届毕业生:①在两年择业期内未落实工作单位,其户口、档案、组织关系仍保留在原毕业学校,或者保留在各级毕业生就业主管部门(毕业生就业指导服务中心)、各级人才交流服务机构和各级公共就业服务机构的未就业高校毕业生;②国外境外留学人员须于2022年7月2日前取得教育部留学服务中心国外境外学历学位认证书的;③按照国家规定需视同对待的普通高校毕业生。
(二)资格条件
1.具有中华人民共和国国籍。遵纪守法、品行端正,具有良好的职业道德,身体健康。
2.具有相应的专业知识和能力水平,符合招聘岗位所需的专业和学历等要求。在职人员报考的,学历、相关专业技术(执业)资格证书须于2022年7月2日前取得(留学人员须取得教育部中国留学服务中心出具的国外境外学历、学位认证书),并具有各类医疗机构相关工作经历(现仍从事本专业岗位工作);2022年全日制普通高校医学类应届毕业生的毕业证书须在2022年7月31日前取得。
3.全日制普通高校医学类应届毕业生须在聘用后2年内取得相应岗位的执业资格,到期未取得执业资格的,解除事业单位聘用合同。
4.招聘岗位年龄要求详见招聘计划表。年龄在35周岁及以下,即1986年7月2日以后出生;年龄在40周岁及以下,即1981年7月2日以后出生。
有下列情形之一的,不纳入本次招聘的范围对象:
(1)嫌违纪违法正在接受纪检监察机关或者司法机关审查尚未作出结论的;受党纪、政务处分且2022年7月2日未满处分期限的。
(2)属于国家公务员局《关于做好公务员录用考察工作的通知》(国公局发〔2013〕2号)规定不得确定为录用人选情形之一的人员。
(3)应聘人员不得报考聘用后即构成回避关系的招聘岗位。
(4)在全日制普通高校脱产就读的非2022年应届毕业生不能以已取得的学历、学位证书报考。
(5)具有法律、法规规定不得聘用为事业单位工作人员的其他情形人员。
三、招聘程序和办法
招聘工作按照发布公告、报名(资格审查)、考试、体检、考察、公示、聘用等程序进行。报考人员提交的信息和材料应当真实、准确、有效,凡提供虚假申请材料而获得报考资格的,一经查实,取消考试或聘用资格。
(一)报名(资格审查)
报名采用现场报名方式,每人限报一个岗位。同一岗位符合条件的报名人数不低于招聘计划人数的3倍,不到规定比例的,取消或相应核减招聘计划。报名时须提供下列材料:
1.《2022年嘉兴经济技术开发区(国际商务区)卫生事业单位公开招聘报名表》(附件2、附件3)一份。
2.本人身份证,学历证书(2022年全日制普通高校应届毕业生未取得毕业证书的,持高校核发的就业推荐表、就业协议书;留学人员须提供教育部中国留学服务中心出具的国外境外学历、学位认证书)。
3.在职人员须提供专业技术资格证书或执业资格证书、所在单位聘用合同(劳动合同)、个人社会保险参保证明及报考岗位所需的其他证明材料;
4.近期一寸证件照1张。
以上材料均需提交原件和复印件。
报名时间、地点:2021年7月2日—4日(上午9:00-11:30,下午13:30-16:30),经投大厦(嘉兴市城南街道展望路1号)A幢407室。招聘岗位所需专业要求参考教育行政部门专业目录设置和审查,对应聘人员所学专业名称不一致的,由招聘单位根据所学专业方向审核确定。
特别提醒:凡材料不全的不能办理报名手续。
(二)考试
考试采取笔试和面试相结合的方式进行。如同一岗位符合条件的应聘人数超过1:6的,则需进行笔试、面试,总成绩=笔试成绩×40%+面试成绩×60%;如同一岗位符合条件的应聘人数不超过1:6(含6)的,则直接进入面试环节,总成绩=面试成绩。
1.笔试。笔试采取闭卷方式,满分为100分,主要测试医学基础知识和相关专业知识。笔试时间、地点另行通知。
2.面试。需参加笔试的岗位,根据笔试成绩从高分到低分按照招聘岗位计划人数1:3的比例确定入围面试人员。面试前2天,若取得面试资格的应聘人员确认不参加面试的,将按该岗位的笔试成绩从高分到低分予以递补。面试主要测试从业基本素质和业务处理能力,面试成绩满分为100分,合格分为60分。面试不合格者不能进入下一环节。面试时间、地点另行通知。
(三)体检
根据考试总成绩从高分到低分,按照招聘岗位计划1:1的比例确定体检对象。若总成绩相等,以笔试成绩高的排位在前;若该岗位未进行笔试,则需加试,加试方式另行通知。体检参照《公务员录用体检通用标准(试行)》执行,入围体检人员不按规定的时间、地点参加体检的,视作自愿放弃体检。体检费用自理。
(四)考察
考察由区社会发展局牵头,街道和用人单位组织实施。考察工作参照公务员考录考察工作的办法进行。主要对体检合格的人员进行资格条件的复核和德、能、勤、绩、廉以及需要回避的情况等考察,考察不合格的不能进入下一环节。
(五)公示
经体检、考察均合格的人员,确定为拟聘用人员,并在嘉兴经济技术开发区人力资源网(www.kfrl.com)网站上公示7个工作日。公示期满,对拟聘人员没有异议或反映有问题经查实不影响聘用的,招聘单位按规定办理聘用手续。 应聘人员在体检、考察、公示环节出现不合格的或自愿放弃的,按招聘岗位考试总成绩从高分到低分依次递补。
(六)聘用
拟聘用人员在接到通知后,必须在规定时间内报到,无正当理由逾期者,取消聘用资格,不再安排递补。拟聘用人员办理报到前须与原单位解除劳动(聘用)合同。2022年全日制普通高校应届毕业生按毕业生报到程序办理,不能按时毕业或未取得招聘岗位规定学历的,取消聘用资格。
聘用人员列入事业编制管理,与招聘单位签订事业单位聘用合同,并按规定约定试用期。试用期满后,考核合格者,予以正式聘用;不合格的,取消聘用。
四、其他事项
1.报考人员必须按本公告要求的时间、地点到现场报名,本人不能到现场报名的可委托他人代报名,代报人按公告规定,提供报考人员须提供的相关材料,同时提供代报人的身份证原件及复印件,逾期不再受理。
2.根据当前新冠肺炎疫情防控要求,应聘人员报名和考试过程中须戴好口罩,出示身份证及当日浙江“健康码”,按指引标识进入场所。根据全国区域疫情形势变化,对自中、高风险地区来嘉兴应聘本次岗位人员,须提供近3天内核酸检测阴性或既往血清特异性IgG抗体检测阳性的证明材料(IgG和IgM同时阳性的,须进行核酸检测)。相关防控要求根据嘉兴市防控办通知精神实时调整。报考人员在考试、体检等过程中须做好防范工作并严格遵守疫情防控管理措施。
3.本次公开招聘工作由嘉兴市纪委市监委驻嘉兴经济技术开发区纪检监察组全程监督,市人力资源和社会保障局监督指导。对考试违纪违规行为的认定和处理,按照《事业单位公开招聘违纪违规行为处理规定》(人社部令第35号)执行。
4.公告未尽事宜,由区社会发展局会同人力社保局依据有关文件规定提出相应的处理意见,报市人力资源和社会保障局核准后执行。招聘公告、考试成绩、体检、公示等事宜在嘉兴经济技术开发区人力资源网(www.kfrl.com)上公布,届时考生可在网上查询。 咨询电话:0573-82208491、83680682,19957380890。
监督电话:0573-83682362、82228947。
附件:1.2022年嘉兴经济技术开发区(国际商务区)卫生事业单位公开招聘计划表
2.2022年嘉兴经济技术开发区(国际商务区)卫生事业单位公开招聘报名表(在职人员)
3.2022年嘉兴经济技术开发区(国际商务区)卫生事业单位公开招聘报名表(应届毕业生)
4.个人健康申报表
附件下载.doc

嘉兴经济技术开发区(国际商务区)社会发展
嘉兴经济技术开发区(国际商务区)人力资源和社会保障局
2022年6月23日